上海松柏甲醛气体传感器全新升级, 该传感器是定电位电解型传感器,甲醛和氧气分别在工作电极和对电极上发生相应的氧化还原反应并释放电荷形成电流,产生的电流大小与甲醛浓度成正比,通过测试电流大小即可判定甲醛浓度的高低。
产品优势:
1. 精度高,寿命长
2. 响应速度快
3. 低功耗、高灵敏度
4. 线性范围宽、抗干扰能力强
5. 优异的重复性和稳定性
应用领域:
1. 甲醛检测仪、报警器
2. 工业现场甲醛气体检测
3. 智慧市政甲醛检测
4. 装修领域甲醛检测
产品外形尺寸图:

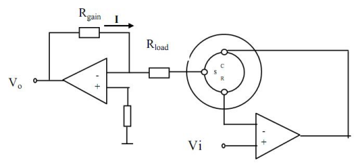
基本电路:

传感器特性描述:
基本性能

传感器基本性能响应曲线(在10ppm甲醛气体中测得)
长时间稳定性

传感器在浓度20分钟响应平稳
基线温度偏差

传感器基线在不同温度下保持良好
线性&重复性

14只传感器测试线性响应,在量程范围内线性系数在0.997以上

14只传感器测试重复性,重复通气6次,信号偏差在5%以内
交叉性能:

进一步降低了CO、H2的交叉干扰
综上、经过我们的不懈努力,本次我们的甲醛传感器有了更好的性能提升
1、更优异的重复性和线性,量程内高浓度,连续重复测试6次以上,偏差小于5%,量程范围内线性回归系数接近于1。
2、多长时间?怎么样的稳定性数据?
-在量程范围内高浓度20分钟内性能保持良好,无衰减。
3、有对比交叉干扰数据?相比之前CO交叉率
-CO交叉率由15%降至8%以内,H2由5%降至2%以内。
上海松柏是一家一站式气体检测方案提供商,以自主品牌、设计、研发、生产为一体,为客户提供更优的气体检测方案,如果您想要了解更多产品,可通过以下联系方式联系我们!










